一、安装
安装说明
1、安装前请确认所选用之规格,是否适合欲使用的化学性。(请注意药液,浓度,温度,比重,杂质,流量,扬程,电压,周波数),并请核对药品性一览表之说明。、
2、安装泵浦时应选择坚固水平地面,并保持平稳。
3、尽量避免将机器装设于户外。若必需安装于户外时,应覆盖护盖,若泵浦配备有电子控制器时,则需加以保护。
4、配管前应先考虑使用之化学液体、温度条件及输送扬程,选择不同之管件材料,符合实际之要求。例如:温度60℃以上,应选择PP管件安装。
5、进行配管时应注意管内不可残留任何杂质或碎屑,必要时应以清水加以清洗管路。
6、法兰结合处应视以垫片,并确实锁紧以防止空气吸入泵浦内。
7、配管如使用金属材料时,须在泵浦出入口管路加装防震接头,避免出入口法兰震破。
8、出口配管高度如有高过马达以上或有逆压之情形时,须在出口加装逆止阀防止回压造成泵浦受损,装置位置请勿超过最高液面线太多。
9、配管时应注意管线不可用力扭曲,安装完后再检查泵体是否有因安装时用力过猛或不正确安装动作而扭曲变形。
10、接上电源线之前应确认所使用之电源是否与马达形式相符合,并接上过电流保护开关。
11、安装完成后应再确认管路是否牢固,避免液体温度造成变形或震动破损。
12、入口连接法兰须和入口法兰口径相同,出口连接法兰须和出口法兰口径相同,请由熟悉此设备安装方式的人员进行安装。
13、马达使用电压可参考马达规范,在马达接线盒上可找到电路连接方式。
14、为保护泵浦寿命,防止因逆压及蒸气压力造成泵浦损坏请将泵浦排放螺丝上按上软管至备用槽内。
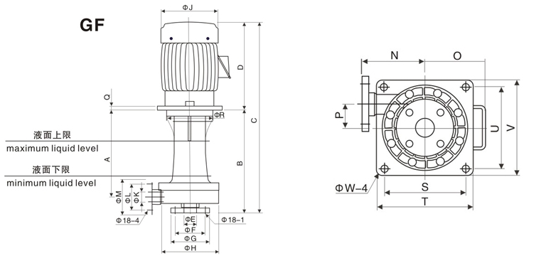
二、安装说明图





三、泵浦故障排除
故障情形 | 处理方法 |
马达无法启动 | 1、检查电力线路是否接好 |
2、叶轮卡死,清除杂质或更换零件 |
3、检查断电路,电源变动引起电路超载 |
4、检查电流,电压及频率是否符合马达规格 |
马达超载 | 1、特殊液体之比重过大,超过泵浦设计规格 |
2、电压不稳定,造成马达超载 |
流量过小 | 1、检查入口及滤网是否有阻塞。 |
2、入口管路太小 |
3、检查出口是否有阻塞 |
4、马达运转方向相反 |
5、马达转速太低,检查电流是否正常 |
马达运转正常但无液体输出 | 1、出口球阀没有打开 |
2、入口处吸入空气,检查入口管路 |
3、液面太低没有超过叶轮,补充液体 |
振动大 | 1、马达轴心弯曲,更换新轴心及转子 |
| 2、马达轴承磨损或轴承座毁损,更换轴承或轴承座 |
声音大 | 3、叶轮或叶轮盖吸附杂质,检查并清除 |
| 4、入口管有阻塞,液体回流槽太慢 |
泵浦漏液 | 1、更换O环 |
2、更换泵体之零件 |
聚固件毁损 | 1、更换新紧固件 |
2、更换新紧固件或新材质以适合新的化学环境 |
四、安装范例




※注意事项
·出口配管高度,如有高过马达以上或有逆压之情形时,请在泵浦出口处理装置逆止阀,装置位置请勿超过最高液面线太高。
·入口处为安全起见,最好装置过滤网以免吸入杂物损坏泵浦(滤网孔面积约直径5位以上)。
·在特殊环境下使用时,如需安装防爆或耐压防爆之马达时,请于本公司技术人员商谈。
·在含有化学气体之环境下使用时,必需选择特殊处理有防蚀漆之马达。
五、操作说明
※运转前之准备
1、检查马达接线是否正确,并启动电源,使其顺时针方向旋转,若错误请改变接线使其正确运转。
2、检查泵浦出入口是否安装法兰垫片,及配管是否正确,并给予固定牢固。
3、马达运转方向正确后观察泵浦出水是否正常。
4、以上均可完成请检查管线及泵浦是否会有泄漏现象。
※操作应注意事项
1、启动电源前应先检查进出管线是否选择正确。例如:出入口球阀是否启开。管路流通路线是否正确,药液槽内的液体是否正常,管路有没有损坏现象。
2、操作在危险的环境或液休,是否穿着有防护衣及防护面罩,安全鞋袜。
3、检查各种保护开关。如:液体开关,槽内液位控制器,电源保护开关是否均在正常的操作位置。
4、启动电源后应检查出口流量是否正常,发现流量太小应速停止电源,再检查出入管线排除障碍。
5、泵浦运转时,输送液体的液位高度须超过泵浦叶轮的位置,泵浦才能输送液体,否则是空运转。
六、保养与维修
※保养与维修前注意事项
1、所接电源应确定开关。
2、将残留于泵体内之液体排放干净,并将出入口球阀开关。
3、维修人员应穿着防护衣用防护面罩,安全鞋袜。
※保养与维修
1、定期检查出入口,防止异物阻塞而造成马达空转。
2、检查运转时马达承是否有异常声音。
3、马达电源是否有欠相的情形。
4、逆止阀是否运作正常。